Skip to main content
SpeedyBee Knowledge Base
简体中文
English
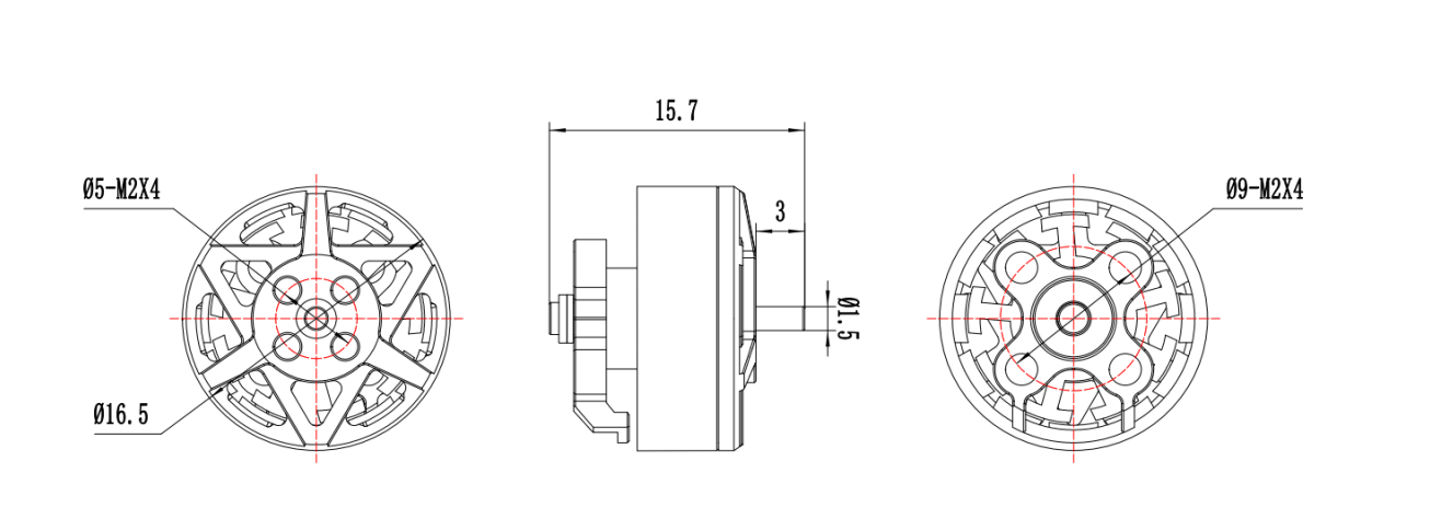
1306.5-6660kv Motors (Mario mini25)
3/31/26
Less than 1 minute
Size
mini.png
1306.5 Test Data
mini 25.png